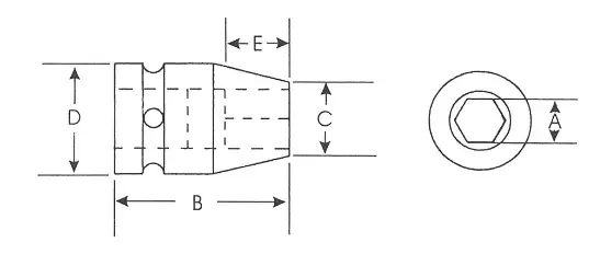
| SINGLE HEX | DOUBLE HEX | SURFACE DRIVE | FAST LEAD | SOLID MAGNET | HEX SIZE (A) |
STD. LGTH. (L) |
NOSE DIA. (C) |
DRIVE DIA. (D) |
BROACH DEPTH (E) |
|---|---|---|---|---|---|---|---|---|---|
| P-62 | D-62 | SF-62 | FL-62 | PM-62 | 3/16 | 7/8 | 5/16 | 1/2 | 3/32 |
| P-82 | D-82 | SF-82 | FL-82 | PM-82 | 1/4 | 7/8 | 3/8 | 1/2 | 5/32 |
| P-102 | D-102 | SF-102 | FL-102 | PM-102 | 5/16 | 7/8 | 7/16 | 1/2 | 3/16 |
| P-122 | D-122 | SF-122 | FL-122 | PM-122 | 3/8 | 1 | 9/16 | 5/8 | 9/32 |
| P-142 | D-142 | SF-142 | FL-142 | PM-142 | 7/16 | 1 | 5/8 | 11/16 | 5/16 |
| P-162 | D-162 | SF-162 | FL-162 | PM-162 | 1/2 | 1 | 3/4 | 3/4 | 11/32 |
| P-182 | D-182 | SF-182 | FL-182 | PM-182 | 9/16 | 1 | 7/8 | 7/8 | 7/16 |
| P-202 | D-202 | SF-202 | FL-202 | PM-202 | 5/8 | 1 | 7/8 | 7/8 | 7/16 |
| P-222 | D-222 | SF-222 | FL-222 | PM-222 | 11/16 | 1 | 1 | 1 | 7/16 |
| P-242 | D-242 | SF-242 | FL-242 | PM-242 | 3/4 | 1 | 1 | 1 | 1/2 |
| P-6MM2 | D-6MM2 | SF-6MM2 | FL-6MM2 | PM-6MM2 | 6MM | 7/8 | 3/8 | 1/2 | 3/16 |
| P-7MM2 | D-7MM2 | SF-7MM2 | FL-7MM2 | PM-7MM2 | 7MM | 7/8 | 7/16 | 1/2 | 3/16 |
| P-8MM2 | D-8MM2 | SF-8MM2 | FL-8MM2 | PM-8MM2 | 8MM | 1 | 1/2 | 5/8 | 1/4 |
| P-9MM2 | D-9MM2 | SF-9MM2 | FL-9MM2 | PM-9MM2 | 9MM | 1 | 9/16 | 9/16 | 1/4 |
| P-10MM2 | D-10MM2 | SF-10MM2 | FL-10MM2 | PM-10MM2 | 10MM | 1 | 9/16 | 9/16 | 1/4 |
| P-11MM2 | D-11MM2 | SF-11MM2 | FL-11MM2 | PM-11MM2 | 11MM | 1 | 5/8 | 5/8 | 9/32 |
| P-12MM2 | D-12MM2 | SF-12MM2 | FL-12MM2 | PM-12MM2 | 12MM | 1 | 11/16 | 11/16 | 9/32 |
| P-13MM2 | D-13MM2 | SF-13MM2 | FL-13MM2 | PM-13MM2 | 13MM | 1 | 13/16 | 13/16 | 3/8 |
| P-14MM2 | D-14MM2 | SF-14MM2 | FL-14MM2 | PM-14MM2 | 14MM | 1 | 7/8 | 7/8 | 7/16 |
| P-15MM2 | D-15MM2 | SF-15MM2 | FL-15MM2 | PM-15MM2 | 15MM | 1 | 15/16 | 15/16 | 7/16 |
| P-16MM2 | D-16MM2 | SF-16MM2 | FL-16MM2 | PM-16MM2 | 16MM | 1 | 1 | 1 | 7/16 |
| P-17MM2 | D-17MM2 | SF-17MM2 | FL-17MM2 | PM-17MM2 | 17MM | 1 | 1 1/8 | 1 1/8 | 7/16 |
| P-18MM2 | D-18MM2 | SF-18MM2 | FL-18MM2 | PM-18MM2 | 18MM | 1 | 1 1/8 | 1 1/8 | 7/16 |
THESE SOCKETS ARE AVAILABLE IN ADDITIONAL LENGTHS, SPRING LOADED, SIDEWALL MAGNETS, THIN WALL, DEEP BROACH, ETC.
| SINGLE HEX | DOUBLE HEX | SURFACE DRIVE | FAST LEAD | SOLID MAGNET | HEX SIZE (A) |
STD. LGTH. (L) |
NOSE DIA. (C) |
DRIVE DIA. (D) |
BROACH DEPTH (E) |
|---|---|---|---|---|---|---|---|---|---|
| P-63 | D-63 | SF-63 | FL-63 | PM-63 | 3/16 | 1 1/4 | 5/16 | 3/4 | 3/32 |
| P-83 | D-83 | SF-83 | FL-83 | PM-83 | 1/4 | 1 1/4 | 7/16 | 3/4 | 5/32 |
| P-103 | D-103 | SF-103 | FL-103 | PM-103 | 5/16 | 1 1/4 | 7/16 | 3/4 | 3/16 |
| P-123 | D-123 | SF-123 | FL-123 | PM-123 | 3/8 | 1 1/4 | 9/16 | 3/4 | 1/4 |
| P-143 | D-143 | SF-143 | FL-143 | PM-143 | 7/16 | 1 1/2 | 11/16 | 3/4 | 9/32 |
| P-163 | D-163 | SF-163 | FL-163 | PM-163 | 1/2 | 1 1/2 | 3/4 | 3/4 | 11/32 |
| P-163T | D-163T | SF-163T | FL-163T | PM-163T | 1/2 | 1 1/2 | 11/16 | 11/16 | 11/32 |
| P-183 | D-183 | SF-183 | FL-183 | PM-183 | 9/16 | 1 1/2 | 7/8 | 7/8 | 7/16 |
| P-183T | D-183T | SF-183T | FL-183T | PM-183T | 9/16 | 1 1/2 | 13/16 | 13/16 | 7/16 |
| P-203 | D-203 | SF-203 | FL-203 | PM-203 | 5/8 | 1 1/2 | 1 | 1 | 7/16 |
| P-203T | D-203T | SF-203T | FL-203T | PM-203T | 5/8 | 1 1/2 | 7/8 | 7/8 | 7/16 |
| P-223 | D-223 | SF-223 | FL-223 | PM-223 | 11/16 | 1 1/2 | 1 | 1 | 7/16 |
| P-243 | D-243 | SF-243 | FL-243 | PM-243 | 3/4 | 1 1/2 | 1 1/8 | 1 1/8 | 15/32 |
| P-263 | D-263 | SF-263 | FL-263 | PM-263 | 13/16 | 1 1/2 | 1 1/8 | 1 1/8 | 17/32 |
| P-283 | D-283 | SF-283 | FL-283 | PM-283 | 7/8 | 1 1/2 | 1 1/4 | 1 1/4 | 9/16 |
| P-303 | D-303 | SF-303 | FL-303 | PM-303 | 15/16 | 1 1/2 | 1 3/8 | 1 3/8 | 5/8 |
| P-323 | D-323 | SF-323 | FL-323 | PM-323 | 1 | 1 1/2 | 1 3/8 | 1 3/8 | 5/8 |
| P-343 | D-343 | SF-343 | FL-343 | PM-343 | 1 1/16 | 1 1/2 | 1 1/2 | 1 1/2 | 11/16 |
| P-363 | D-363 | SF-363 | FL-363 | PM-363 | 1 1/8 | 1 1/2 | 1 1/2 | 1 1/2 | 3/4 |
| P-403 | D-403 | SF-403 | FL-403 | PM-403 | 1 1/4 | 1 1/2 | 1 3/4 | 1 3/4 | 3/4 |
| P-483 | D-483 | SF-483 | FL-483 | PM-483 | 1 1/2 | 1 1/2 | 2 | 2 | 7/8 |
| P-6MM3 | D-6MM3 | SF-6MM3 | FL-6MM3 | PM-6MM3 | 6MM | 1-1/4 | 7/16 | 3/4 | 3/32 |
| P-7MM3 | D-7MM3 | SF-7MM3 | FL-7MM3 | PM-7MM3 | 7MM | 1-1/4 | 7/16 | 3/4 | 3/32 |
| P-8MM3 | D-8MM3 | SF-8MM3 | FL-8MM3 | PM-8MM3 | 8MM | 1-1/4 | 1/2 | 3/7 | 3/16 |
| P-9MM3 | D-9MM3 | SF-9MM3 | FL-9MM3 | PM-9MM3 | 9MM | 1-1/4 | 9/16 | 3/4 | 3/16 |
| P-10MM3 | D-10MM3 | SF-10MM3 | FL-10MM3 | PM-10MM3 | 10MM | 1-1/4 | 11/16 | 13/16 | 1/4 |
| P-11MM3 | D-11MM3 | SF-11MM3 | FL-11MM3 | PM-11MM3 | 11MM | 1-1/2 | 3/4 | 3/4 | 3/32 |
| P-12MM3 | D-12MM3 | SF-12MM3 | FL-12MM3 | PM-12MM3 | 12MM | 1-1/2 | 3/4 | 3/4 | 11/32 |
| P-13MM3 | D-13MM3 | SF-13MM3 | FL-13MM3 | PM-13MM3 | 13MM | 1-1/2 | 13/16 | 13/16 | 7/16 |
| P-14MM3 | D-14MM3 | SF-14MM3 | FL-14MM3 | PM-14MM3 | 14MM | 1-1/2 | 7/8 | 7/8 | 7/16 |
| P-15MM3 | D-15MM3 | SF-15MM3 | FL-15MM3 | PM-15MM3 | 15MM | 1-1/2 | 7/8 | 7/8 | 7/16 |
| P-16MM3 | D-16MM3 | SF-16MM3 | FL-16MM3 | PM-16MM3 | 16MM | 1-1/2 | 1 | 1 | 7/16 |
| P-17MM3 | D-17MM3 | SF-17MM3 | FL-17MM3 | PM-17MM3 | 17MM | 1-1/2 | 1 | 1 | 7/16 |
| P-18MM3 | D-18MM3 | SF-18MM3 | FL-18MM3 | PM-18MM3 | 18MM | 1-1/2 | 1-1/8 | 1-1/8 | 1/2 |
| P-19MM3 | D-19MM3 | SF-19MM3 | FL-19MM3 | PM-19MM3 | 19MM | 1-1/2 | 1-1/8 | 1-1/8 | 1/2 |
| P-20MM3 | D-20MM3 | SF-20MM3 | FL-20MM3 | PM-20MM3 | 20MM | 1-1/2 | 1-1/8 | 1-1/8 | 1/2 |
| P-21MM3 | D-21MM3 | SF-21MM3 | FL-21MM3 | PM-21MM3 | 21MM | 1-1/2 | 1-1/4 | 1-1/4 | 9/16 |
| P-22MM3 | D-22MM3 | SF-22MM3 | FL-22MM3 | PM-22MM3 | 22MM | 1-1/2 | 1-1/4 | 1-1/4 | 19/32 |
| P-24MM3 | D-24MM3 | SF-24MM3 | FL-24MM3 | PM-24MM3 | 24MM | 1-1/2 | 1-1/2 | 1-1/2 | 5/8 |
| P-27MM3 | D-27MM3 | SF-27MM3 | FL-27MM3 | PM-27MM3 | 27MM | 1-1/2 | 1-5/8 | 1-5/8 | 11/16 |
| P-30MM3 | D-30MM3 | SF-30MM3 | FL-30MM3 | PM-30MM3 | 30MM | 1-1/2 | 1-3/4 | 1-3/4 | 3/4 |
| P-33MM3 | D-33MM3 | SF-33MM3 | FL-33MM3 | PM-33MM3 | 33MM | 1-1/2 | 1-7/8 | 1-7/8 | 13/16 |
| P-36MM3 | D-36MM3 | SF-36MM3 | FL-36MM3 | PM-36MM3 | 36MM | 1-1/2 | 2 | 2 | 7/8 |
THESE SOCKETS ARE AVAILABLE IN ADDITIONAL LENGTHS, SPRING LOADED, SIDEWALL MAGNETS, THIN WALL, DEEP BROACH, ETC.
| SINGLE HEX | DOUBLE HEX | SURFACE DRIVE | FAST LEAD | SOLID MAGNET | HEX SIZE (A) |
STD. LGTH. (L) |
NOSE DIA. (C) |
DRIVE DIA. (D) |
BROACH DEPTH (E) |
|---|---|---|---|---|---|---|---|---|---|
| P-84 | D-84 | SF-84 | FL-84 | PM-84 | 1/4 | 1-1/2 | 7/16 | 15/16 | 5/32 |
| P-104 | D-104 | SF-104 | FL-104 | PM-104 | 5/16 | 1-1/2 | 1/2 | 15/16 | 3/16 |
| P-124 | D-124 | SF-124 | FL-124 | PM-124 | 3/8 | 1-1/2 | 1/2 | 15/16 | 1/4 |
| P-144 | D-144 | SF-144 | FL-144 | PM-144 | 7/16 | 1-1/2 | 11/16 | 15/16 | 9/32 |
| P-164 | D-164 | SF-164 | FL-164 | PM-164 | 1/2 | 1-1/2 | 7/8 | 15/16 | 11/32 |
| P-164T | D-164T | SF-164T | FL-164T | PM-164T | 1/2 | 1-1/2 | 3/4 | 7/8 | 11/32 |
| P-184 | D-184 | SF-184 | FL-184 | PM-184 | 9/16 | 1-1/2 | 15/16 | 15/16 | 7/16 |
| P-184T | D-184T | SF-184T | FL-184T | PM-184T | 9/16 | 1-1/2 | 7/8 | 7/8 | 7/16 |
| P-204 | D-204 | SF-204 | FL-204 | PM-204 | 5/8 | 1-1/2 | 1 | 1 | 7/16 |
| P-224 | D-224 | SF-224 | FL-224 | PM-224 | 11/16 | 1-1/2 | 1-1/8 | 1-1/8 | 7/16 |
| P-244 | D-244 | SF-244 | FL-244 | PM-244 | 3/4 | 1-1/2 | 1-1/4 | 1-1/4 | 7/16 |
| P-264 | D-264 | SF-264 | FL-264 | PM-264 | 13/16 | 1-1/2 | 1-1/4 | 1-1/4 | 17/32 |
| P-284 | D-284 | SF-284 | FL-284 | PM-284 | 7/8 | 1-1/2 | 1-3/8 | 1-3/8 | 1/2 |
| P-304 | D-304 | SF-304 | FL-304 | PM-304 | 15/16 | 1-1/2 | 1-1/2 | 1-1/2 | 5/8 |
| P-324 | D-324 | SF-324 | FL-324 | PM-324 | 1 | 1-1/2 | 1-1/2 | 1-1/2 | 5/8 |
| P-344 | D-344 | SF-344 | FL-344 | PM-344 | 1-1/16 | 1-5/8 | 1-5/8 | 1-5/8 | 11/16 |
| P-364 | D-364 | SF-364 | FL-364 | PM-364 | 1-1/8 | 1-5/8 | 1-5/8 | 1-5/8 | 3/4 |
| P-384 | D-384 | SF-384 | FL-384 | PM-384 | 1-3/16 | 1-5/8 | 1-3/4 | 1-3/4 | 3/4 |
| P-404 | D-404 | SF-404 | FL-404 | PM-404 | 1-1/4 | 1-3/4 | 1-3/4 | 1-3/4 | 13/16 |
| P-424 | D-424 | SF-424 | FL-424 | PM-424 | 1-5/16 | 1-3/4 | 2 | 2 | 13/16 |
| P-444 | D-444 | SF-444 | FL-444 | PM-444 | 1-3/8 | 1-3/4 | 2 | 2 | 13/16 |
| P-484 | D-484 | SF-484 | FL-484 | PM-484 | 1-1/2 | 2 | 2 | 2 | 1 |
| P-8MM4 | D-8MM4 | SF-8MM4 | FL-8MM4 | PM-8MM4 | 8MM | 1-1/2 | 1/2 | 15/16 | 3/32 |
| P-9MM4 | D-9MM4 | SF-9MM4 | FL-9MM4 | PM-9MM4 | 9MM | 1-1/2 | 5/8 | 15/16 | 3/16 |
| P-10MM4 | D-10MM4 | SF-10MM4 | FL-10MM4 | PM-10MM4 | 10MM | 1-1/2 | 5/8 | 15/16 | 1/4 |
| P-11MM4 | D-11MM4 | SF-11MM4 | FL-11MM4 | PM-11MM4 | 11MM | 1-1/2 | 3/4 | 15/16 | 5/32 |
| P-12MM4 | D-12MM4 | SF-12MM4 | FL-12MM4 | PM-12MM4 | 12MM | 1-1/2 | 3/4 | 15/16 | 3/32 |
| P-13MM4 | D-13MM4 | SF-13MM4 | FL-13MM4 | PM-13MM4 | 13MM | 1-1/2 | 7/8 | 15/16 | 7/16 |
| P-14MM4 | D-14MM4 | SF-14MM4 | FL-14MM4 | PM-14MM4 | 14MM | 1-1/2 | 7/8 | 15/16 | 7/16 |
| P-15MM4 | D-15MM4 | SF-15MM4 | FL-15MM4 | PM-15MM4 | 15MM | 1-1/2 | 15/16 | 15/16 | 7/16 |
| P-16MM4 | D-16MM4 | SF-16MM4 | FL-16MM4 | PM-16MM4 | 16MM | 1-1/2 | 1 | 1 | 7/16 |
| P-17MM4 | D-17MM4 | SF-17MM4 | FL-17MM4 | PM-17MM4 | 17MM | 1-1/2 | 1 | 1 | 7/16 |
| P-18MM4 | D-18MM4 | SF-18MM4 | FL-18MM4 | PM-18MM4 | 18MM | 1-1/2 | 1-1/8 | 1-1/8 | 7/16 |
| P-19MM4 | D-19MM4 | SF-19MM4 | FL-19MM4 | PM-19MM4 | 19MM | 1-1/2 | 1-1/8 | 1-1/8 | 1/2 |
| P-20MM4 | D-20MM4 | SF-20MM4 | FL-20MM4 | PM-20MM4 | 20MM | 1-1/2 | 1-1/8 | 1-1/8 | 1/2 |
| P-21MM4 | D-21MM4 | SF-21MM4 | FL-21MM4 | PM-21MM4 | 21MM | 1-1/2 | 1-1/4 | 1-1/4 | 17/32 |
| P-22MM4 | D-22MM4 | SF-22MM4 | FL-22MM4 | PM-22MM4 | 22MM | 1-1/2 | 1-1/4 | 1-1/4 | 17/32 |
| P-24MM4 | D-24MM4 | SF-24MM4 | FL-24MM4 | PM-24MM4 | 24MM | 1-1/2 | 1-1/2 | 1-1/2 | 5/8 |
| P-27MM4 | D-27MM4 | SF-27MM4 | FL-27MM4 | PM-27MM4 | 27MM | 1.62 | 1-5/8 | 1-5/8 | 11/16 |
| P-28MM4 | D-28MM4 | SF-28MM4 | FL-28MM4 | PM-28MM4 | 28MM | 1.62 | 1-5/8 | 1-5/8 | 3/4 |
| P-30MM4 | D-30MM4 | SF-30MM4 | FL-30MM4 | PM-30MM4 | 30MM | 1.62 | 1-3/4 | 1-3/4 | 3/4 |
| P-32MM4 | D-32MM4 | SF-32MM4 | FL-32MM4 | PM-32MM4 | 32MM | 1.75 | 1-3/4 | 1-3/4 | 3/4 |
| P-33MM4 | D-33MM4 | SF-33MM4 | FL-33MM4 | PM-33MM4 | 33MM | 1.75 | 2 | 2 | 13/16 |
| P-34MM4 | D-34MM4 | SF-34MM4 | FL-34MM4 | PM-34MM4 | 34MM | 1.88 | 2 | 2 | 13/16 |
| P-36MM4 | D-36MM4 | SF-36MM4 | FL-36MM4 | PM-36MM4 | 36MM | 1.88 | 2 | 2 | 15/16 |
THESE SOCKETS ARE AVAILABLE IN ADDITIONAL LENGTHS, SPRING LOADED, HOLLOW MAGNETS, THIN WALL, DEEP WELL ETC.
| SINGLE HEX | DOUBLE HEX | SURFACE DRIVE | FAST LEAD | SOLID MAGNET | HEX SIZE (A) |
STD. LGTH. (B) |
NOSE DIA. (C) |
DRIVE DIA. (D) |
BROACH DEPTH (E) |
|---|---|---|---|---|---|---|---|---|---|
| P-145 | D-145 | SF-145 | FL-145 | PM-145 | 7/16 | 1.88 | 11/16 | 1-1/8 | 9/32 |
| P-165 | D-165 | SF-165 | FL-165 | PM-165 | 1/2 | 1.88 | 7/8 | 1-1/8 | 11/32 |
| P-185 | D-185 | SF-185 | FL-185 | PM-185 | 9/16 | 1.88 | 7/8 | 1-1/8 | 7/16 |
| P-205 | D-205 | SF-205 | FL-205 | PM-205 | 5/8 | 1.88 | 1 | 1-1/8 | 7/16 |
| P-225 | D-225 | SF-225 | FL-225 | PM-225 | 11/16 | 1.88 | 1-1/8 | 1-1/8 | 7/16 |
| P-245 | D-245 | SF-245 | FL-245 | PM-245 | 3/4 | 1.88 | 1-1/4 | 1-1/4 | 1/2 |
| P-245T | D-245T | SF-245T | FL-245T | PM-245T | 3/4 | 1.88 | 1-1/8 | 1-1/8 | 1/2 |
| P-265 | D-265 | SF-265 | FL-265 | PM-265 | 13/16 | 1.88 | 1-1/4 | 1-1/4 | 17/32 |
| P-265T | D-265T | SF-265T | FL-265T | PM-265T | 13/16 | 1.88 | 1-1/8 | 1-1/8 | 17/32 |
| P-285 | D-285 | SF-285 | FL-285 | PM-285 | 7/8 | 1.88 | 1-3/8 | 1-3/8 | 9/16 |
| P-285T | D-285T | SF-285T | FL-285T | PM-285T | 7/8 | 1.88 | 1-3/16 | 1-3/16 | 9/16 |
| P-305 | D-305 | SF-305 | FL-305 | PM-305 | 15/16 | 2 | 1-1/2 | 1-1/2 | 5/8 |
| P-305T | D-305T | SF-305T | FL-305T | PM-305T | 15/16 | 2 | 1-5/16 | 1-5/16 | 5/8 |
| P-325 | D-325 | SF-325 | FL-325 | PM-325 | 1 | 1 | 1-1/2 | 1-1/2 | 5/8 |
| P-345 | D-345 | SF-345 | FL-345 | PM-345 | 1-1/16 | 2 | 1-7/16 | 1-7/16 | 11/16 |
| P-365 | D-365 | SF-365 | FL-365 | PM-365 | 1-1/8 | 2 | 1-5/8 | 1-5/8 | 3/4 |
| P-385 | D-385 | SF-385 | FL-385 | PM-385 | 1-3/16 | 2 | 1-3/4 | 1-3/4 | 3/4 |
| P-405 | D-405 | SF-405 | FL-405 | PM-405 | 1-1/4 | 2 | 1-3/4 | 1-3/4 | 13/16 |
| P-425 | D-425 | SF-425 | FL-425 | PM-425 | 1-5/16 | 2 | 2 | 2 | 13/16 |
| P-445 | D-445 | SF-445 | FL-445 | PM-445 | 1-3/8 | 2.12 | 2 | 2 | 13/16 |
| P-465 | D-465 | SF-465 | FL-465 | PM-465 | 1-7/16 | 2.12 | 2 | 2 | 13/16 |
| P-485 | D-485 | SF-485 | FL-485 | PM-485 | 1-1/2 | 2.25 | 2 | 2 | 1 |
| P-12MM5 | D-12MM5 | SF-12MM5 | FL-12MM5 | PM-12MM5 | 12MM | 1.88 | 3/4 | 1-1/8 | 7/16 |
| P-13MM5 | D-13MM5 | SF-13MM5 | FL-13MM5 | PM-13MM5 | 13MM | 1.88 | 7/8 | 1-1/8 | 7/16 |
| P-14MM5 | D-14MM5 | SF-14MM5 | FL-14MM5 | PM-14MM5 | 14MM | 1.88 | 7/8 | 1-1/8 | 7/8 |
| P-15MM5 | D-15MM5 | SF-15MM5 | FL-15MM5 | PM-15MM5 | 15MM | 1.88 | 15/16 | 1-1/8 | 7/16 |
| P-16MM5 | D-16MM5 | SF-16MM5 | FL-16MM5 | PM-16MM5 | 16MM | 1.88 | 1 | 1-1/8 | 7/16 |
| P-17MM5 | D-17MM5 | SF-17MM5 | FL-17MM5 | PM-17MM5 | 17MM | 1.88 | 1-1/8 | 1-1/8 | 7/16 |
| P-18MM5 | D-18MM5 | SF-18MM5 | FL-18MM5 | PM-18MM5 | 18MM | 1.88 | 1-1/8 | 1-1/8 | 7/16 |
| P-19MM5 | D-19MM5 | SF-19MM5 | FL-19MM5 | PM-19MM5 | 19MM | 1.88 | 1-1/4 | 1-1/4 | 1/2 |
| P-20MM5 | D-20MM5 | SF-20MM5 | FL-20MM5 | PM-20MM5 | 20MM | 1.88 | 1-1/4 | 1-1/4 | 1/2 |
| P-21MM5 | D-21MM5 | SF-21MM5 | FL-21MM5 | PM-21MM5 | 21MM | 1.88 | 1-1/4 | 1-1/4 | 9/16 |
| P-22MM5 | D-22MM5 | SF-22MM5 | FL-22MM5 | PM-22MM5 | 22MM | 1.88 | 1-3/8 | 1-3/8 | 9/16 |
| P-23MM5 | D-23MM5 | SF-23MM5 | FL-23MM5 | PM-23MM5 | 23MM | 1.88 | 1-1/2 | 1-1/2 | 5/8 |
| P-24MM5 | D-24MM5 | SF-24MM5 | FL-24MM5 | PM-24MM5 | 24MM | 2 | 1-1/2 | 1-1/2 | 5/8 |
| P-25MM5 | D-25MM5 | SF-25MM5 | FL-25MM5 | PM-25MM5 | 25MM | 2 | 1-1/2 | 1-1/2 | 5/8 |
| P-26MM5 | D-26MM5 | SF-26MM5 | FL-26MM5 | PM-26MM5 | 26MM | 2 | 1-1/2 | 1-1/2 | 5/8 |
| P-27MM5 | D-27MM5 | SF-27MM5 | FL-27MM5 | PM-27MM5 | 27MM | 2 | 1-5/8 | 1-5/8 | 11/16 |
| P-28MM5 | D-28MM5 | SF-28MM5 | FL-28MM5 | PM-28MM5 | 28MM | 2 | 1-5/8 | 1-5/8 | 3/4 |
| P-29MM5 | D-29MM5 | SF-29MM5 | FL-29MM5 | PM-29MM5 | 29MM | 2 | 1-3/4 | 1-3/4 | 3/4 |
| P-30MM5 | D-30MM5 | SF-30MM5 | FL-30MM5 | PM-30MM5 | 30MM | 2 | 1-3/4 | 1-3/4 | 3/4 |
| P-32MM5 | D-32MM5 | SF-32MM5 | FL-32MM5 | PM-32MM5 | 32MM | 2.25 | 1-3/4 | 1-3/4 | 13/16 |
| P-33MM5 | D-33MM5 | SF-33MM5 | FL-33MM5 | PM-33MM5 | 33MM | 2.25 | 2 | 2 | 13/16 |
| P-34MM5 | D-34MM5 | SF-34MM5 | FL-34MM5 | PM-34MM5 | 34MM | 2.25 | 2 | 2 | 13/16 |
| P-36MM5 | D-36MM5 | SF-36MM5 | FL-36MM5 | PM-36MM5 | 36MM | 2.25 | 2 | 2 | 15/16 |
THESE SOCKETS ARE AVAILABLE IN ADDITIONAL LENGTHS, SPRING LOADED, HOLLOW MAGNETS, THIN WALL, DEEP WELL, ETC.
| SINGLE HEX | DOUBLE HEX | SURFACE DRIVE | FAST LEAD | SOLID MAGNET | HEX SIZE (A) |
STD. LGTH. (B) |
NOSE DIA. (C) |
DRIVE DIA. (D) |
BROACH DEPTH (E) |
|---|---|---|---|---|---|---|---|---|---|
| P-166 | D-166 | SF-166 | FL-166 | PM-166 | 9/16 | 2 | 7/8 | 1-1/2 | 11/32 |
| P-186 | D-186 | SF-186 | FL-186 | PM-186 | 9/16 | 2 | 1 | 1-1/2 | 7/16 |
| P-206 | D-206 | SF-206 | FL-206 | PM-206 | 5/8 | 2 | 1 | 1-1/2 | 7/16 |
| P-226 | D-226 | SF-226 | FL-226 | PM-226 | 11/16 | 2 | 1-1/8 | 1-1/2 | 7/16 |
| P-246 | D-246 | SF-246 | FL-246 | PM-246 | 3/4 | 2 | 1-1/4 | 1-1/2 | 1/2 |
| P-266 | D-266 | SF-266 | FL-266 | PM-266 | 13/16 | 2 | 1-3/8 | 1-1/2 | 17/32 |
| P-286 | D-286 | SF-286 | FL-286 | PM-286 | 7/8 | 2 | 1-1/2 | 1-1/2 | 9/16 |
| P-286T | D-286T | SF-286T | FL-286T | PM-286T | 7/8 | 2 | 1-3/8 | 1-3/8 | 9/16 |
| P-306 | D-306 | SF-306 | FL-306 | PM-306 | 15/16 | 2 | 1-1/2 | 1-1/2 | 5/8 |
| P-306T | D-306T | SF-306T | FL-306T | PM-306T | 15/16 | 2 | 1-3/8 | 1-3/8 | 5/8 |
| P-326 | D-326 | SF-326 | FL-326 | PM-326 | 1 | 2 | 1-1/2 | 1-1/2 | 5/8 |
| P-326T | D-326T | SF-326T | FL-326T | PM-326T | 1 | 2 | 1-7/16 | 1-7/16 | 5/8 |
| P-346 | D-346 | SF-346 | FL-346 | PM-346 | 1-1/16 | 2 | 1-3/4 | 1-3/4 | 11/16 |
| P-346T | D-346T | SF-346T | FL-346T | PM-346T | 1-1/16 | 2 | 1-1/2 | 1-1/2 | 11/16 |
| P-366 | D-366 | SF-366 | FL-366 | PM-366 | 1-1/8 | 2.12 | 1-3/4 | 1-3/4 | 3/4 |
| P-366T | D-366T | SF-366T | FL-366T | PM-366T | 1-1/8 | 2.12 | 1-5/8 | 1-5/8 | 3/4 |
| P-386 | D-386 | SF-386 | FL-386 | PM-386 | 1-3/16 | 2.12 | 1-3/4 | 1-3/4 | 3/4 |
| P-386T | D-386T | SF-386T | FL-386T | PM-386T | 1-3/16 | 2.12 | 1-5/8 | 1-5/8 | 3/4 |
| P-406 | D-406 | SF-406 | FL-406 | PM-406 | 1-1/4 | 2.12 | 2 | 2 | 13/16 |
| P-426 | D-426 | SF-426 | FL-426 | PM-426 | 1-5/16 | 2.12 | 2 | 2 | 13/16 |
| P-446 | D-446 | SF-446 | FL-446 | PM-446 | 1-3/8 | 2.12 | 2 | 2 | 13/16 |
| P-466 | D-466 | SF-466 | FL-466 | PM-466 | 1-7/16 | 2.25 | 2 | 2 | 15/16 |
| P-486 | D-486 | SF-486 | FL-486 | PM-486 | 1-1/2 | 2.25 | 2 | 2 | 1 |
| P-13MM6 | D-13MM6 | SF-13MM6 | FL-13MM6 | PM-13MM6 | 13MM | 2 | 7/8 | 1-1/2 | 7/16 |
| P-14MM6 | D-14MM6 | SF-14MM6 | FL-14MM6 | PM-14MM6 | 14MM | 2 | 1 | 1-1/2 | 7/16 |
| P-15MM6 | D-15MM6 | SF-15MM6 | FL-15MM6 | PM-15MM6 | 15MM | 2 | 1 | 1-1/2 | 7/16 |
| P-16MM6 | D-16MM6 | SF-16MM6 | FL-16MM6 | PM-16MM6 | 16MM | 2 | 1-1/8 | 1-1/2 | 7/16 |
| P-17MM6 | D-17MM6 | SF-17MM6 | FL-17MM6 | PM-17MM6 | 17MM | 2 | 1-1/8 | 1-1/2 | 7/16 |
| P-18MM6 | D-18MM6 | SF-18MM6 | FL-18MM6 | PM-18MM6 | 18MM | 2 | 1-1/4 | 1-1/4 | 7/16 |
| P-19MM6 | D-19MM6 | SF-19MM6 | FL-19MM6 | PM-19MM6 | 19MM | 2 | 1-1/2 | 1-1/2 | 1/2 |
| P-20MM6 | D-20MM6 | SF-20MM6 | FL-20MM6 | PM-20MM6 | 20MM | 2 | 1-3/8 | 1-1/2 | 1/2 |
| P-21MM6 | D-21MM6 | SF-21MM6 | FL-21MM6 | PM-21MM6 | 21MM | 2 | 1-3/8 | 1-1/2 | 9/16 |
| P-22MM6 | D-22MM6 | SF-22MM6 | FL-22MM6 | PM-22MM6 | 22MM | 2 | 1-1/2 | 1-1/2 | 9/16 |
| P-23MM6 | D-23MM6 | SF-23MM6 | FL-23MM6 | PM-23MM6 | 23MM | 2 | 1-1/2 | 1-1/2 | 5/8 |
| P-24MM6 | D-24MM6 | SF-24MM6 | FL-24MM6 | PM-24MM6 | 24MM | 2 | 1-1/2 | 1-1/2 | 5/8 |
| P-25MM6 | D-25MM6 | SF-25MM6 | FL-25MM6 | PM-25MM6 | 25MM | 2 | 1-1/2 | 1-1/2 | 5/8 |
| P-26MM6 | D-26MM6 | SF-26MM6 | FL-26MM6 | PM-26MM6 | 26MM | 2 | 1-5/8 | 1-5/8 | 5/8 |
| P-27MM6 | D-27MM6 | SF-27MM6 | FL-27MM6 | PM-27MM6 | 27MM | 2 | 1-5/8 | 1-5/8 | 11/16 |
| P-28MM6 | D-28MM6 | SF-28MM6 | FL-28MM6 | PM-28MM6 | 28MM | 2.25 | 1-3/4 | 1-3/4 | 3/4 |
| P-29MM6 | D-29MM6 | SF-29MM6 | FL-29MM6 | PM-29MM6 | 29MM | 2.25 | 1-3/4 | 1-3/4 | 3/4 |
| P-30MM6 | D-30MM6 | SF-30MM6 | FL-30MM6 | PM-30MM6 | 30MM | 2.25 | 1-3/4 | 1-3/4 | 3/4 |
| P-32MM6 | D-32MM6 | SF-32MM6 | FL-32MM6 | PM-32MM6 | 32MM | 2.25 | 2 | 2 | 13/16 |
| P-33MM6 | D-33MM6 | SF-33MM6 | FL-33MM6 | PM-33MM6 | 33MM | 2.25 | 2 | 2 | 13/16 |
| P-34MM6 | D-34MM6 | SF-34MM6 | FL-34MM6 | PM-34MM6 | 34MM | 2.25 | 2 | 2 | 13/16 |
| P-35MM6 | D-35MM6 | SF-35MM6 | FL-35MM6 | PM-35MM6 | 35MM | 2.25 | 2 | 2 | 7/8 |
| P-36MM6 | D-36MM6 | SF-36MM6 | FL-36MM6 | PM-36MM6 | 36MM | 2.25 | 2 | 2 | 15/16 |
THESE SOCKETS ARE AVAILABLE IN ADDITIONAL LENGTHS, SPRING LOADED, HOLLOW MAGNETS, THIN WALL, DEEP WELL, ETC.
| SINGLE HEX | DOUBLE HEX | SURFACE DRIVE | FAST LEAD | SOLID MAGNET | HEX SIZE (A) |
STD. LGTH. (B) |
NOSE DIA. (C) |
DRIVE DIA. (D) |
BROACH DEPTH (E) |
|---|---|---|---|---|---|---|---|---|---|
| P-248 | D-248 | SF-248 | FL-248 | PM-248 | 3/4 | 2.12 | 1-5/16 | 2 | 13/16 |
| P-268 | D-268 | SF-268 | FL-268 | PM-268 | 13/16 | 2.12 | 1-1/2 | 2 | 13/16 |
| P-288 | D-288 | SF-288 | FL-288 | PM-288 | 7/8 | 2.12 | 1-1/2 | 2 | 13/16 |
| P-288T | D-288T | SF-288T | FL-288T | PM-288T | 7/8 | 2.12 | 1-7/16 | 1-7/8 | 13/16 |
| P-308 | D-308 | SF-308 | FL-308 | PM-308 | 15/16 | 2.12 | 1-1/2 | 2 | 13/16 |
| P-308T | D-308T | SF-308T | FL-308T | PM-308T | 15/16 | 2.12 | 1-7/16 | 1-7/8 | 13/16 |
| P-328 | D-328 | SF-328 | FL-328 | PM-328 | 1 | 2.12 | 1-5/8 | 2 | 13/16 |
| P-328T | D-328T | SF-328T | FL-328T | PM-328T | 1 | 2.12 | 1-1/2 | 1-7/8 | 13/16 |
| P-348 | D-348 | SF-348 | FL-348 | PM-348 | 1-1/16 | 2.12 | 1-3/4 | 2 | 13/16 |
| P-348T | D-348T | SF-348T | FL-348T | PM-348T | 1-1/16 | 2.12 | 1-9/16 | 1-7/8 | 13/16 |
| P-368 | D-368 | SF-368 | FL-368 | PM-368 | 1-1/8 | 2.12 | 1-3/4 | 2 | 13/16 |
| P-368T | D-368T | SF-368T | FL-368T | PM-368T | 1-1/8 | 2.12 | 1-5/8 | 1-7/8 | 13/16 |
| P-388 | D-388 | SF-388 | FL-388 | PM-388 | 1-3/16 | 2.12 | 2 | 2 | 13/16 |
| P-388T | D-388T | SF-388T | FL-388T | PM-388T | 1-3/16 | 2.12 | 1-3/4 | 2 | 13/16 |
| P-408 | D-408 | SF-408 | FL-408 | PM-408 | 1-1/4 | 2.12 | 2 | 2 | 13/16 |
| P-408T | D-408T | SF-408T | FL-408T | PM-408T | 1-1/4 | 2.12 | 1-7/8 | 2 | 13/16 |
| P-428 | D-428 | SF-428 | FL-428 | PM-428 | 1-5/16 | 2.12 | 2 | 2 | 13/16 |
| P-428T | D-428T | SF-428T | FL-428T | PM-428T | 1-5/16 | 2.12 | 1-7/8 | 2 | 13/16 |
| P-448 | D-448 | SF-448 | FL-448 | PM-448 | 1-3/8 | 2.12 | 2 | 2 | 13/16 |
| P-448T | D-448T | SF-448T | FL-448T | PM-448T | 1-3/8 | 2.12 | 1-7/8 | 2 | 13/16 |
| P-468 | D-468 | SF-468 | FL-468 | PM-468 | 1-7/16 | 2.25 | 2 | 2 | 15/16 |
| P-488 | D-488 | SF-488 | FL-488 | PM-488 | 1-1/2 | 2.25 | 2 | 2 | 15/16 |
THESE SOCKETS ARE AVAILABLE IN ADDITIONAL LENGTHS, SPRING LOADED, HOLLOW MAGNETS, THIN WALL, DEEP WELL, ETC.